Sistem Digital:SR-Latch (Gerbang NAND)
Rangkaian Penahan (Latch)
Rangkaian gerbang digital yang digunakan untuk menahan informasi disebut Latch.
Latch merupakan peranti yang dwimantap, yaitu rangkaian yang memiliki dua keadaan yaitu keadaan 0 atau 1.
Rangkaian latch dapat menyimpan 1 bit biner dari informasi karena menanggapi masukkannya, jika suatu masukkan menyebabkannya berpindah ke keadaan 1. Peranti itu akan tetap menahannya sebagai 1 sampai ada masukkan lain yang menyebabkannya berubah ke keadaan 0.
Demikian juga sebaliknya jika suatu masukkan menyebabkannya berpindah ke keadaan 0. Peranti itu akan tetap menahannya sebagai 0 sampai ada masukkan lain yang menyebabkannya berubah ke keadaan 1.
Rangkaian R-S Latch

Latch mempunyai dua signal keluaran, yang satu merupakan komplemen dari yang lainnya. Terdapat dua masukkan yaitu S (set) dan R (reset) dan dua buah keluaran yang diberi symbol Q dan Q.
Suatu untai latch dapat dibuat dengan menggunakan beberapa gerbang dasar. S-R latch yang dirangkai dengan menggunakan dua gerbang NAND
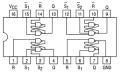
Komponen R-S Latch
IC 74LS279 berisikan rangkaian R-S Latch.
-
IC
-
Kompone R-S Latch
Mengkondisikan 1 “Set” pada NAND Latch
Setelah dikondisikan Q=1 karena pulsa rendah di S (lihat tabel fungsi gerbang NAND)

nilai normal yang diberikan S=0 dan R=1 yang konsisten maka status Q=1 akan stabil

Mengkondisikan 0 “Reset” pada NAND Latch
Setelah dikondisikan Q=0 karena pulsa rendah di R (lihat tabel fungsi gerbang NAND)

nilai normal yang diberikan S=1 dan R=0 yang konsisten maka status Q=0 akan stabil.

Mengkondisikan NAND Menahan Nilai (Latch)
Setelah dikondisikan Q=“tidak berubah” karena pulsa tinggi di S dan R (lihat tabel)
