Sistem Digital:Encoder dan Decoder
Encoder 10 Line (Desimal) Ke BCD
Encoder 10 line (desimal) ke BCD (Binary Coded decimal) adalah sebuah chip IC yang berfungsi untuk mengokdekan 10 line jalur input (desimal) menjadi data dalam bentuk BCD (Binary Coded decimal).
Encoder desimal ke BCD (Binary Coded decimal) ini sering kita perlukan pada saat perancangan suatu perangkat digital dan kita mengalami kekurangan port atau jalut untuk input saklarnya.
IC 74LS147
IC encoder 74147 merupakan encoder data desimal menjadi data BCD dengan input aktif LOW dan output 4 bit BCD aktif LOW.

IC encoder 74147 merupakan IC dalam keluarga TTL yang bekerja dengan tegangan sumber + 5 volt DC.
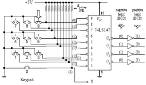
Konfigurasi pin dan tabel kebenaran dari encoder TTL 10 line (desimal) ke BCD IC 74147 dapat dilihat pada gambar berikut.
Konfigurasi pin dan tabel kebenaran dari encoder TTL 10 line (desimal) ke BCD IC 74147 dapat dilihat pada gambar berikut.

Konfigurasi pin dan tabel kebenaran encoder 74147 diatas diambil dari datasheet IC 74147. Encoder IC 74147 memiliki 9 jalur input desimal 1 sampai 9 aktif LOW dan 4 jalur output BCD aktif LOW. Tegangan sumber untuk IC 74147 diberikan melalui pin Vcc (+5 volt DC) dan pin GND (ground).
Input pada encoder IC 74147 ini di simbolkan dengan input 1 sampai 9 dan jalur output BCD 4 bit disimbolkan dengan Q0 sampai Q3.
Pada tabel kebenaran encoder IC 74147 terdiri dari data jalur input 9 line (1 – 9) aktif LOW, 4 bit output (Q0, Q1, Q2, Q3) BCD aktif LOW dan nilai logika negatif BCD. Kode H (HIGH) kondisi logika 1 (HIGH), L kondisi logika 0 (LOW) dan kode X adalah don’t care yaitu tidak berpengaruh terhadap proses encoding data desimal ke BCD IC Encoder 74147
