Sistem Digital:Cara Membuat Counter Modulus
Counter Modulo N
Counter modulo N adalah rangkaian counter yang berfungsi untuk menghitung sampai dengan bilangan N tertentu.
Cara kerja counter modulo adalah counter akan mereset atau mengembalikan hitungan ke angka 0 setelah mencapai angka N
Untuk membuat counter modulo dapat dilakukan dengan mengatur bit bit high dan kemudian dimasukkan kedalam input gerbang and yang kemudian digunakan untuk mereset flip-flop
Jumlah keadaan atau pencacahan urutan melalui mana pencacah tertentu maju sebelum kembali sekali lagi kembali ke keadaan pertama aslinya disebut Modulo (MOD).
Sebagai contoh, pencacah (counter) 2-bit atau n-bit adalah jumlah bit yang dihitung dari 0 hingga 3 dalam desimal, memiliki nilai modulus 4 (00 → 01 → 10 → 11, dan kembali ke 00) Oleh karena itu disebut sebagai counter modulo-4, atau mod-4, counter dan memerlukan empat pulsa clock untuk mendapatkan nilai dari 00 hingga 11.
Pencacah (counter) Mod-N akan membutuhkan N jumlah flip-flop yang terhubung bersama untuk menghitung bit data tunggal sambil memberikan 2n status output yang berbeda dan N selalu merupakan nilai integer keseluruhan.
Flip-flop tipe D
Pencacah (counter) MOD dibuat menggunakan flip-flop dan satu flip-flop dapat menghasilkan hitungan 0 atau 1. Ada berbagai jenis desain flip-flop antara lain tipe-D untuk membangun pencacah (counter).
Flip-flop tipe-D, (DFF) juga dikenal sebagai Data Latch, karena input data tunggal dan sinyal clock eksternal digunakan, dan juga dipicu tepi positif.

Pengoperasian flip-flop tipe-D (D-FF) sangat sederhana karena hanya memiliki input data tunggal yang disebut D, dan input clock CLK (detak singkronisasi).
Hal ini memungkinkan bit data tunggal (0 atau 1) disimpan di bawah kendali sinyal clock sehingga menjadikan flip-flop tipe-D perangkat sinkron karena data pada input ditransfer ke output flip-flop hanya pada memicu tepi pulsa clock.
jika ada logika "1" (HIGH) pada input data ketika pulsa clock positif diterapkan, maka flip-flop menyimpan logika "1" di Q, dan komplemen "0” di Q’. Demikian sebaliknya.
Kemudian output "Q" dari flip-flop tipe-D menanggapi nilai input "D" ketika input clock (CLK) adalah HIGH. Ketika input clock adalah LOW, kondisi di "Q", "1" atau "0" ditahan sampai waktu berikutnya sinyal clock naik HIGH ke level logika "1".
Counter menggunakan Flip-flop tipe D

Bilangan Biner
Sistem bilangan yang digunakan dalam rangkaian adder adalah Sistem bilangan Biner (memiliki bilangan dasar 2).
| Desimal | Biner |
|---|---|
| 0 | 0000 |
| 1 | 0001 |
| 2 | 0010 |
| 3 | 0011 |
| 4 | 0100 |
| 5 | 0101 |
| 6 | 0110 |
| 7 | 0111 |
| 8 | 1000 |
| 9 | 1001 |
| 10 | 1010 |
| 11 | 1011 |
| 12 | 1100 |
| 13 | 1101 |
| 14 | 1110 |
| 15 | 1111 |
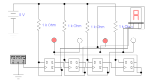
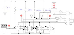
Pencacah (counter) Modulo 10
Rangkaian pencacah (counter) modulo-m yang menggunakan rangkaian kombinasional eksternal untuk menghasilkan pencacah dengan modulo 10 adalah pencacah Decade.
Pencacah (counter) decade (divide-by-10) memiliki 10 status dalam urutan pencacahannya (angka desimal).
Counter decade memiliki empat output menghasilkan angka biner 4-bit dan dengan menggunakan Gerbang AND dan Gerbang OR eksternal kita dapat mendeteksi terjadinya status pencacahan ke-9 untuk mengatur ulang pencacah kembali ke 0.
Setelah mencapai hitungan 9 (1001 dalam biner), counter kembali ke 0000.
